This webpage doesn't work with Internet Explorer. Please use the latest version of Google Chrome, Microsoft Edge, Mozilla Firefox or Safari.
请输入3个以上字符 Search for multiple part numbers fromhere.
The information presented in this cross reference is based on TOSHIBA's selection criteria and should be treated as a suggestion only. Please carefully review the latest versions of all relevant information on the TOSHIBA products, including without limitation data sheets and validate all operating parameters of the TOSHIBA products to ensure that the suggested TOSHIBA products are truly compatible with your design and application.Please note that this cross reference is based on TOSHIBA's estimate of compatibility with other manufacturers' products, based on other manufacturers' published data, at the time the data was collected.TOSHIBA is not responsible for any incorrect or incomplete information. Information is subject to change at any time without notice.
请输入3个以上字符
In developing your designs, please ensure the datasheet.
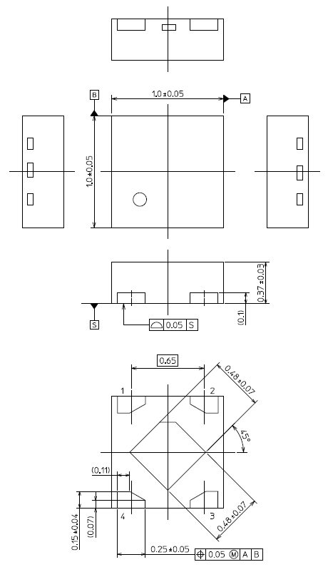
| Toshiba Code | P-XFLGA4-0101-0.65-005 | |
|---|---|---|
| Mounting | Surface Mount | |
| Pins | 4 | |
| Width×Length×Height (mm) |
1.0×1.0×0.37 | |
| Package Dimensions (mm) |
|
|
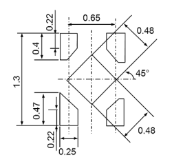
| Land pattern dimensions for reference only (mm) |
|
|
| Packing Method | Embossed Tape | |
| Packing Name | TPL3 | |
| Minimum Quantity | 10000 pcs/Reel | |
| Tape Width (mm) | 8 | |
| Tape Dimensions (mm) / Reel Dimensions (mm) |
|
|