SSM3K56MFV

Small Low ON resistance MOSFETs

  • 相关参考设计(1)

产品概要

Application Scope High-Speed Switching
Polarity N-ch
Generation U-MOSⅦ-H
Internal Connection Single
RoHS Compatible Product(s) (#) Available

封装

Toshiba Package Name SOT-723 (VESM)
Package Image 东芝 SSM3K56MFV Small Low ON resistance MOSFETs产品 VESM 封装图片
JEITA SC-105AA
Package Code SOT-723
Pins 3
Mounting Surface Mount
Width×Length×Height
(mm)
1.2×1.2×0.5
Package Dimensions 查看
Land pattern dimensions 查看
Ultra Librarian® CAD model
(Symbol, Footprint and 3D model)
Download from UltraLibrarian<sup>®</sup> in your desired CAD format<br>(Note1)(Note3)

Download from UltraLibrarian® in your desired CAD format
(Note1)(Note3)

SamacSys CAD model
(Symbol, Footprint and 3D model)
Download from SamacSys<br>(Note2)(Note3)

Download from SamacSys
(Note2)(Note3)

 Please refer to the link destination to check the detailed size.

(Note1)

Ultra Librarian® is a Registered trademark and CAD model library of EMA (EMA Design Automation, Inc.). CAD models (Symbol/Footprint /3D model) are provided by UltraLibrarian®. The footprints are generated based on the specifications of Ultra Librarian®.

(Note2)

SamacSys is a wholly owned subsidiary of Supplyframe, Inc. CAD models (Symbol/Footprint /3D model) are provided by Supplyframe, Inc. The footprints are generated based on the specifications of SamacSys.

(Note3)

Please note that the footprint dimensions may differ from the reference Land Pattern dimensions provided on our website.

绝对最大额定值

项目 符号 单位
Drain-Source voltage VDSS 20 V
Gate-Source voltage VGSS +/-8 V
Drain current ID 800 mA
Power Dissipation PD 0.15 W

电气特性

项目 符号 条件 单位
Gate threshold voltage (Max) Vth - 1.0 V
Gate threshold voltage (Min) Vth - 0.4 V
Drain-Source on-resistance (Max) RDS(ON) |VGS|=1.5V 840
Drain-Source on-resistance (Max) RDS(ON) |VGS|=1.8V 480
Drain-Source on-resistance (Max) RDS(ON) |VGS|=2.5V 300
Drain-Source on-resistance (Max) RDS(ON) |VGS|=4.5V 235
Input capacitance (Typ.) Ciss - 55 pF
Total gate charge (Typ.) Qg VGS=4.5V 1.0 nC
购买及样品申请
请联系东芝官方代理商或就近联系我们的销售网点。
您可以通过以下链接搜索及购买少量样品。

文档

  • 如果该复选框不能被选中,则不能批量下载相应的文档。

Dec,2013

Feb,2019

Jul,2025

Jan,2026

Jan,2026

(Note)

LTspice ® is a trademark and simulation software of ADI (Analog Devices, Inc.).

可订购器件型号

Orderable part number
(example)
MOQ(pcs) Reliability
Information
RoHS Note
SSM3K56MFV,L3F 8000 Yes General Use

参考设计

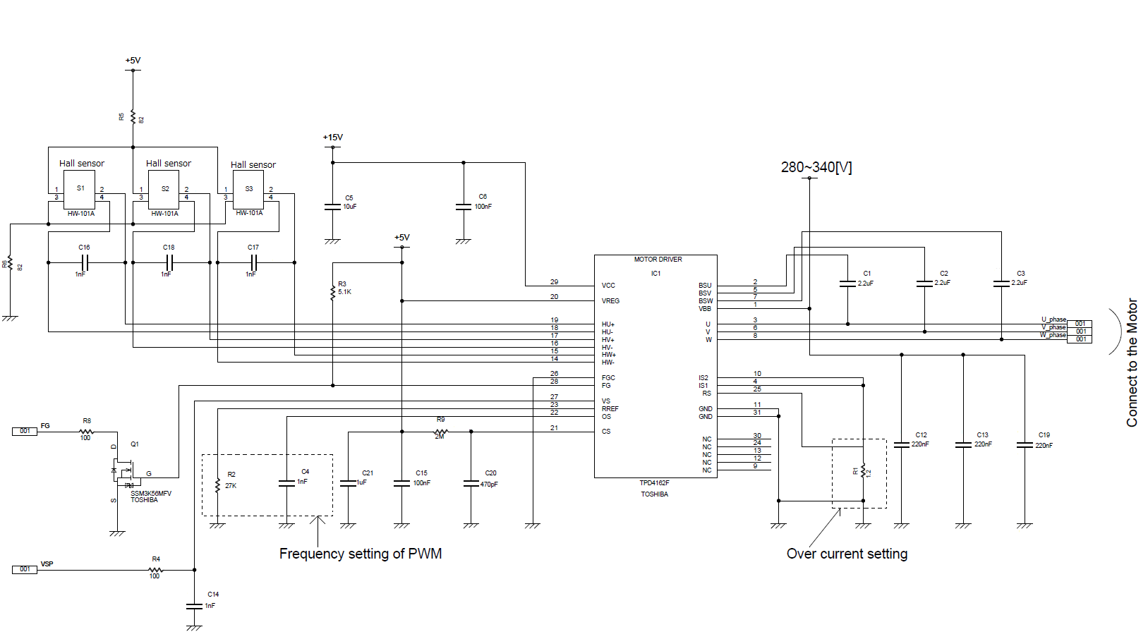
TPD4162F方波控制型BLDC电机驱动电路的电路图
TPD4162F方波控制型BLDC电机驱动电路
使用TPD4162F的紧凑型方波控制无刷直流电动机驱动器。该参考设计介绍电路和PCB的设计方法,例如常数的计算。

应用

IH电饭煲
高击穿电压、低功耗和小型化等对于IH电饭煲设计非常重要。东芝提供了适用于IH线圈驱动单元、电机驱动单元、加热器控制单元等的各种半导体产品的信息以及电路配置示例。
智能马桶盖
高效率、低功耗和小型化等对于智能马桶盖的设计非常重要。东芝提供了适用于电源装置、电机驱动装置等的各种半导体产品的信息以及电路配置示例。
IH电磁炉
高击穿电压、低功耗和小型化等对于IH电磁炉设计非常重要。东芝提供了适用于IH线圈驱动单元、电机驱动单元、电流检测单元等的各种半导体产品的信息以及电路配置示例。

技术咨询

联系我们

联系我们

常见问题

常见问题(FAQ)

Notes

返回列表页
Membership registration required
在新窗口打开