汽车制动控制

汽车制动控制

在设计制动控制时,降低功耗和小型化等非常重要。东芝提供适用于制动执行器单元、电机驱动单元和电源单元等的各种半导体产品的信息以及电路配置示例。

总方框图

单击总方框图中想要查看详细信息的区域。将显示我们建议的子方框图的链接。

Switch Switch Sensor Sensor Sensor Sensor · · · · · · · · Signal Conditioning Circuit Signal ConditioningCircuit Brake Control Brake Control TVS TVS Other ECU Other ECU CAN Line CAN Line Speed Steering Yaw rate Acceleration SpeedSteeringYaw rateAcceleration Battery (12 V) Battery(12 V) Power Supply Power Supply Reverse Battery Protection and Load Switch Reverse Battery Protectionand Load Switch Brake Actuator Brake Actuator MCU MCU Power supply ON/OFF control and reverse connection protection circuit Brake actuator for ABS/ESC
ABS/ESC制动执行器

ABS/ESC执行器控制电路示例

电源开/关控制及反接保护电路

12V电源线N沟道MOSFET开关控制和反接保护电路示例

12V电源线P沟道MOSFET开关控制和反接保护电路示例

单击总方框图中想要查看详细信息的区域。将显示我们建议的子方框图的链接。

Sensor Sensor Sensor Sensor Sensor Sensor · · · · · · · · MCU MCU Other ECU Other ECU CAN Line CAN Line Speed Inter-vehicle Information Accelerator Depression etc. SpeedInter-vehicle Information Accelerator Depressionetc. Battery Battery Power Supply Power Supply Master Cylinder MasterCylinder TVS TVS Reverse Battery Protection Reverse Battery Protection Hydraulic Control Pump Hydraulic Control Pump Hydraulic Control System Hydraulic Control System Pre Pre Gate Driver/Motor Pre Driver Gate Driver/Motor Pre Driver Inverter (for Brushless DC Motor) Inverter(for Brushless DC Motor) M M Power supply ON/OFF control and reverse connection protection circuit Motor drive circuit
直流无刷电机驱动电路(N沟道型)

用于制动控制的3相直流无刷电机驱动电路示例(N沟道型)

电源ON/OFF控制及反接保护电路

12V电源线N沟道MOSFET开关控制和反接保护电路示例

12V电源线P沟道MOSFET开关控制和反接保护电路示例

单击总方框图中想要查看详细信息的区域。将显示我们建议的子方框图的链接。

Switch Switch Sensor Sensor Sensor Sensor · · · · · · · · MCU MCU Other ECU Other ECU CAN Line CAN Line Speed Inter-vehicle Information Accelerator Depression etc. SpeedInter-vehicle Information Accelerator Depressionetc. Battery Battery Power Supply Power Supply M M TVS TVS Reverse Battery Protection Reverse Battery Protection Pre Pre Gate Driver/Motor Pre Driver Gate Driver/Motor Pre Driver Inverter (for Brushless DC Motor) Inverter(for Brushless DC Motor) Worm Gear WormGear Brake Piston BrakePiston Brake Pad BrakePad Power supply ON/OFF control and reverse connection protection circuit Motor drive circuit
直流无刷电机驱动电路(N沟道型)

用于制动控制的3相直流无刷电机驱动电路示例(N沟道型)

电源ON/OFF控制及反接保护电路

12V电源线N沟道MOSFET开关控制和反接保护电路示例

12V电源线P沟道MOSFET开关控制和反接保护电路示例

子方框图

ABS/ESC制动执行器
ABS/ESC制动执行器

ABS/ESC执行器控制电路示例

ABS/ESC执行器控制电路示例
U-MOS Series 40 V N-ch MOSFET
器件型号
Toshiba Package Name TSON Advance(WF) DPAK+ SOP Advance(WF) DSOP Advance(WF)L S-TOGL L-TOGL
VDSS (Max) [V] 40 40 40 40 40 40
ID (Max) [A] 40 120 150 150 200 400
RDS(ON) (Max) [Ω] @ |VGS| = 10.0 [V] 0.0038 0.00135 0.00079 0.00079 0.00066 0.0003
Polarity N-ch N-ch N-ch N-ch N-ch N-ch
电源开/关控制及反接保护电路
电源ON/OFF控制及反接保护电路(N沟道型)

12V电源线N沟道MOSFET开关控制和反接保护电路示例

12V电源线N沟道MOSFET开关控制和反接保护电路示例
U-MOS Series 40 V N-ch MOSFET
器件型号
Toshiba Package Name TSON Advance(WF) DPAK+ SOP Advance(WF) DSOP Advance(WF)L S-TOGL L-TOGL
VDSS (Max) [V] 40 40 40 40 40 40
ID (Max) [A] 40 120 150 150 200 400
RDS(ON) (Max) [Ω] @ |VGS| = 10.0 [V] 0.0038 0.00135 0.00079 0.00079 0.00066 0.0003
Polarity N-ch N-ch N-ch N-ch N-ch N-ch
Gate driver (for switch)
器件型号
Toshiba Package name PS-8 SSOP16
VBB (Max) [V]    
VCC (Max) [V]    
IO (Max) [A] +5mA/ Internally Limited  
General purpose small signal MOSFET
器件型号
Toshiba Package Name SOT-346 (S-Mini) SOT-346 (S-Mini) SOT-723 (VESM)
VDSS (Max) [V] 60 -60 -20
ID (Max) [A] 0.4 -0.4 -0.8
RDS(ON) (Max) [Ω] @ |VGS| = 4.5 [V] 1.75 1.9 0.39
Polarity N-ch P-ch P-ch
General purpose small signal bipolar transistor
器件型号
Toshiba Package Name SOT-416 (SSM) SOT-416 (SSM) SOT-323 (USM) SOT-323 (USM) SOT-346 (S-Mini) SOT-346 (S-Mini)
VCEO (Max) [V] -50 50 50 -50 50 -50
IC (Max) [A] -0.15 0.15 0.15 -0.15 0.15 -0.15
Polarity PNP NPN NPN PNP NPN PNP
Small signal bias resistor built-in transistor (BRT)
器件型号
Toshiba Package Name SOT-563 (ES6) SOT-563 (ES6) SOT-363 (US6) SOT-363 (US6)
VCEO (Q1) (Max) [V] 50 -50 50 -50
VCEO (Q2) (Max) [V] 50 -50 50 -50
IC (Q1) (Max) [A] 0.1 -0.1 0.1 -0.1
IC (Q2) (Max) [A] 0.1 -0.1 0.1 -0.1
Polarity (Q1) NPN PNP NPN PNP
Polarity (Q2) NPN PNP NPN PNP
TVS diode (for CAN communication)
器件型号
Toshiba Package Name SOT-323 (USM) SOT-323 (USM) SOT-323 (USM)
VESD (Max) [kV] +/-30 +/-25 +/-20
IR (Max) [µA] 0.1 0.1 0.1
Rdyn (Typ.) [Ω] 0.8 1.1 1.5
CT (Typ.) [pF] @ VR = 0 [V], f = 1 [MHz] 9 9 6.5
Power supply IC (for MCU)
器件型号
Toshiba Package Name SSOP20
Product Category Automobile CPU regulator, built-in watchdog timer
Power supply IC (for MCU, built-in tracker)
器件型号
Toshiba Package Name HTSSOP48-P-300-0.50 HTSSOP48-P-300-0.50 HTSSOP48-P-300-0.50 HTSSOP48-P-300-0.50 HTSSOP48-P-300-0.50
Product Category Automobile CPU regulator, built-in watchdog timer Automobile CPU regulator, built-in watchdog timer Automobile CPU regulator, built-in watchdog timer Automobile CPU regulator, built-in watchdog timer Automobile CPU regulator, built-in watchdog timer
电源开ON/OFF控制及反接保护电路(P沟道型)

12V电源线P沟道MOSFET开关控制和反接保护电路示例

12V电源线P沟道MOSFET开关控制和反接保护电路示例
U-MOS series -40 V / -60 V P-ch MOSFET
器件型号
Toshiba Package Name TSON Advance(WF) DPAK+ DPAK+ SOP Advance(WF) SOP Advance(WF)
VDSS (Max) [V] -40 -40 -60 -40 -60
ID (Max) [A] -40 -90 -60 -100 -90
RDS(ON) (Max) [Ω] @ |VGS| = 10.0 [V] 0.0096 0.0043 0.0112 0.0031 0.0083
Polarity P-ch P-ch P-ch P-ch P-ch
General purpose small signal MOSFET
器件型号
Toshiba Package Name SOT-346 (S-Mini) SOT-346 (S-Mini) SOT-723 (VESM)
VDSS (Max) [V] 60 -60 -20
ID (Max) [A] 0.4 -0.4 -0.8
RDS(ON) (Max) [Ω] @ |VGS| = 4.5 [V] 1.75 1.9 0.39
Polarity N-ch P-ch P-ch
General purpose small signal bipolar transistor
器件型号
Toshiba Package Name SOT-416 (SSM) SOT-416 (SSM) SOT-323 (USM) SOT-323 (USM) SOT-346 (S-Mini) SOT-346 (S-Mini)
VCEO (Max) [V] -50 50 50 -50 50 -50
IC (Max) [A] -0.15 0.15 0.15 -0.15 0.15 -0.15
Polarity PNP NPN NPN PNP NPN PNP
Small signal bias resistor built-in transistor (BRT)
器件型号
Toshiba Package Name SOT-563 (ES6) SOT-563 (ES6) SOT-363 (US6) SOT-363 (US6)
VCEO (Q1) (Max) [V] 50 -50 50 -50
VCEO (Q2) (Max) [V] 50 -50 50 -50
IC (Q1) (Max) [A] 0.1 -0.1 0.1 -0.1
IC (Q2) (Max) [A] 0.1 -0.1 0.1 -0.1
Polarity (Q1) NPN PNP NPN PNP
Polarity (Q2) NPN PNP NPN PNP
TVS diode (for CAN communication)
器件型号
Toshiba Package Name SOT-323 (USM) SOT-323 (USM) SOT-323 (USM)
VESD (Max) [kV] +/-30 +/-25 +/-20
IR (Max) [µA] 0.1 0.1 0.1
Rdyn (Typ.) [Ω] 0.8 1.1 1.5
CT (Typ.) [pF] @ VR = 0 [V], f = 1 [MHz] 9 9 6.5
Power supply IC (for MCU)
器件型号
Toshiba Package Name SSOP20
Product Category Automobile CPU regulator, built-in watchdog timer
Power supply IC (for MCU, built-in tracker)
器件型号
Toshiba Package Name HTSSOP48-P-300-0.50 HTSSOP48-P-300-0.50 HTSSOP48-P-300-0.50 HTSSOP48-P-300-0.50 HTSSOP48-P-300-0.50
Product Category Automobile CPU regulator, built-in watchdog timer Automobile CPU regulator, built-in watchdog timer Automobile CPU regulator, built-in watchdog timer Automobile CPU regulator, built-in watchdog timer Automobile CPU regulator, built-in watchdog timer
直流无刷电机驱动电路(N沟道型)
直流无刷电机驱动电路(N沟道型)

用于制动控制的3相直流无刷电机驱动电路示例(N沟道型)

用于制动控制的3相直流无刷电机驱动电路示例(N沟道型)
U-MOS Series 40 V N-ch MOSFET
器件型号
Toshiba Package Name TSON Advance(WF) DPAK+ SOP Advance(WF) DSOP Advance(WF)L S-TOGL L-TOGL
VDSS (Max) [V] 40 40 40 40 40 40
ID (Max) [A] 40 120 150 150 200 400
RDS(ON) (Max) [Ω] @ |VGS| = 10.0 [V] 0.0038 0.00135 0.00079 0.00079 0.00066 0.0003
Polarity N-ch N-ch N-ch N-ch N-ch N-ch
Gate driver (for motor)
器件型号
Toshiba Package name PS-8 SSOP30
VBB (Max) [V]    
VCC (Max) [V]    
IO (Max) [A] -1 -1.5
Brushless DC motor pre driver
器件型号
Toshiba Package Name QFP64-P-1010-0.50C P-VQFN48-0707-0.50-005
Product Category Pre-driver for automobile Pre-driver for automobile
Power supply IC (for MCU)
器件型号
Toshiba Package Name SSOP20
Product Category Automobile CPU regulator, built-in watchdog timer
Power supply IC (for MCU, built-in tracker)
器件型号
Toshiba Package Name HTSSOP48-P-300-0.50 HTSSOP48-P-300-0.50 HTSSOP48-P-300-0.50 HTSSOP48-P-300-0.50 HTSSOP48-P-300-0.50
Product Category Automobile CPU regulator, built-in watchdog timer Automobile CPU regulator, built-in watchdog timer Automobile CPU regulator, built-in watchdog timer Automobile CPU regulator, built-in watchdog timer Automobile CPU regulator, built-in watchdog timer
电源ON/OFF控制及反接保护电路
电源ON/OFF控制及反接保护电路(N沟道型)

12V电源线N沟道MOSFET开关控制和反接保护电路示例

12V电源线N沟道MOSFET开关控制和反接保护电路示例
U-MOS Series 40 V N-ch MOSFET
器件型号
Toshiba Package Name TSON Advance(WF) DPAK+ SOP Advance(WF) DSOP Advance(WF)L S-TOGL L-TOGL
VDSS (Max) [V] 40 40 40 40 40 40
ID (Max) [A] 40 120 150 150 200 400
RDS(ON) (Max) [Ω] @ |VGS| = 10.0 [V] 0.0038 0.00135 0.00079 0.00079 0.00066 0.0003
Polarity N-ch N-ch N-ch N-ch N-ch N-ch
Gate driver (for switch)
器件型号
Toshiba Package name PS-8 SSOP16
VBB (Max) [V]    
VCC (Max) [V]    
IO (Max) [A] +5mA/ Internally Limited  
General purpose small signal MOSFET
器件型号
Toshiba Package Name SOT-346 (S-Mini) SOT-346 (S-Mini) SOT-723 (VESM)
VDSS (Max) [V] 60 -60 -20
ID (Max) [A] 0.4 -0.4 -0.8
RDS(ON) (Max) [Ω] @ |VGS| = 4.5 [V] 1.75 1.9 0.39
Polarity N-ch P-ch P-ch
General purpose small signal bipolar transistor
器件型号
Toshiba Package Name SOT-416 (SSM) SOT-416 (SSM) SOT-323 (USM) SOT-323 (USM) SOT-346 (S-Mini) SOT-346 (S-Mini)
VCEO (Max) [V] -50 50 50 -50 50 -50
IC (Max) [A] -0.15 0.15 0.15 -0.15 0.15 -0.15
Polarity PNP NPN NPN PNP NPN PNP
Small signal bias resistor built-in transistor (BRT)
器件型号
Toshiba Package Name SOT-563 (ES6) SOT-563 (ES6) SOT-363 (US6) SOT-363 (US6)
VCEO (Q1) (Max) [V] 50 -50 50 -50
VCEO (Q2) (Max) [V] 50 -50 50 -50
IC (Q1) (Max) [A] 0.1 -0.1 0.1 -0.1
IC (Q2) (Max) [A] 0.1 -0.1 0.1 -0.1
Polarity (Q1) NPN PNP NPN PNP
Polarity (Q2) NPN PNP NPN PNP
TVS diode (for CAN communication)
器件型号
Toshiba Package Name SOT-323 (USM) SOT-323 (USM) SOT-323 (USM)
VESD (Max) [kV] +/-30 +/-25 +/-20
IR (Max) [µA] 0.1 0.1 0.1
Rdyn (Typ.) [Ω] 0.8 1.1 1.5
CT (Typ.) [pF] @ VR = 0 [V], f = 1 [MHz] 9 9 6.5
Power supply IC (for MCU)
器件型号
Toshiba Package Name SSOP20
Product Category Automobile CPU regulator, built-in watchdog timer
Power supply IC (for MCU, built-in tracker)
器件型号
Toshiba Package Name HTSSOP48-P-300-0.50 HTSSOP48-P-300-0.50 HTSSOP48-P-300-0.50 HTSSOP48-P-300-0.50 HTSSOP48-P-300-0.50
Product Category Automobile CPU regulator, built-in watchdog timer Automobile CPU regulator, built-in watchdog timer Automobile CPU regulator, built-in watchdog timer Automobile CPU regulator, built-in watchdog timer Automobile CPU regulator, built-in watchdog timer
电源开ON/OFF控制及反接保护电路(P沟道型)

12V电源线P沟道MOSFET开关控制和反接保护电路示例

12V电源线P沟道MOSFET开关控制和反接保护电路示例
U-MOS series -40 V / -60 V P-ch MOSFET
器件型号
Toshiba Package Name TSON Advance(WF) DPAK+ DPAK+ SOP Advance(WF) SOP Advance(WF)
VDSS (Max) [V] -40 -40 -60 -40 -60
ID (Max) [A] -40 -90 -60 -100 -90
RDS(ON) (Max) [Ω] @ |VGS| = 10.0 [V] 0.0096 0.0043 0.0112 0.0031 0.0083
Polarity P-ch P-ch P-ch P-ch P-ch
General purpose small signal MOSFET
器件型号
Toshiba Package Name SOT-346 (S-Mini) SOT-346 (S-Mini) SOT-723 (VESM)
VDSS (Max) [V] 60 -60 -20
ID (Max) [A] 0.4 -0.4 -0.8
RDS(ON) (Max) [Ω] @ |VGS| = 4.5 [V] 1.75 1.9 0.39
Polarity N-ch P-ch P-ch
General purpose small signal bipolar transistor
器件型号
Toshiba Package Name SOT-416 (SSM) SOT-416 (SSM) SOT-323 (USM) SOT-323 (USM) SOT-346 (S-Mini) SOT-346 (S-Mini)
VCEO (Max) [V] -50 50 50 -50 50 -50
IC (Max) [A] -0.15 0.15 0.15 -0.15 0.15 -0.15
Polarity PNP NPN NPN PNP NPN PNP
Small signal bias resistor built-in transistor (BRT)
器件型号
Toshiba Package Name SOT-563 (ES6) SOT-563 (ES6) SOT-363 (US6) SOT-363 (US6)
VCEO (Q1) (Max) [V] 50 -50 50 -50
VCEO (Q2) (Max) [V] 50 -50 50 -50
IC (Q1) (Max) [A] 0.1 -0.1 0.1 -0.1
IC (Q2) (Max) [A] 0.1 -0.1 0.1 -0.1
Polarity (Q1) NPN PNP NPN PNP
Polarity (Q2) NPN PNP NPN PNP
TVS diode (for CAN communication)
器件型号
Toshiba Package Name SOT-323 (USM) SOT-323 (USM) SOT-323 (USM)
VESD (Max) [kV] +/-30 +/-25 +/-20
IR (Max) [µA] 0.1 0.1 0.1
Rdyn (Typ.) [Ω] 0.8 1.1 1.5
CT (Typ.) [pF] @ VR = 0 [V], f = 1 [MHz] 9 9 6.5
Power supply IC (for MCU)
器件型号
Toshiba Package Name SSOP20
Product Category Automobile CPU regulator, built-in watchdog timer
Power supply IC (for MCU, built-in tracker)
器件型号
Toshiba Package Name HTSSOP48-P-300-0.50 HTSSOP48-P-300-0.50 HTSSOP48-P-300-0.50 HTSSOP48-P-300-0.50 HTSSOP48-P-300-0.50
Product Category Automobile CPU regulator, built-in watchdog timer Automobile CPU regulator, built-in watchdog timer Automobile CPU regulator, built-in watchdog timer Automobile CPU regulator, built-in watchdog timer Automobile CPU regulator, built-in watchdog timer
直流无刷电机驱动电路(N沟道型)
直流无刷电机驱动电路(N沟道型)

用于制动控制的3相直流无刷电机驱动电路示例(N沟道型)

用于制动控制的3相直流无刷电机驱动电路示例(N沟道型)
U-MOS Series 40 V N-ch MOSFET
器件型号
Toshiba Package Name TSON Advance(WF) DPAK+ SOP Advance(WF) DSOP Advance(WF)L S-TOGL L-TOGL
VDSS (Max) [V] 40 40 40 40 40 40
ID (Max) [A] 40 120 150 150 200 400
RDS(ON) (Max) [Ω] @ |VGS| = 10.0 [V] 0.0038 0.00135 0.00079 0.00079 0.00066 0.0003
Polarity N-ch N-ch N-ch N-ch N-ch N-ch
Gate driver (for motor)
器件型号
Toshiba Package name PS-8 SSOP30
VBB (Max) [V]    
VCC (Max) [V]    
IO (Max) [A] -1 -1.5
Brushless DC motor pre driver
器件型号
Toshiba Package Name QFP64-P-1010-0.50C P-VQFN48-0707-0.50-005
Product Category Pre-driver for automobile Pre-driver for automobile
Power supply IC (for MCU)
器件型号
Toshiba Package Name SSOP20
Product Category Automobile CPU regulator, built-in watchdog timer
Power supply IC (for MCU, built-in tracker)
器件型号
Toshiba Package Name HTSSOP48-P-300-0.50 HTSSOP48-P-300-0.50 HTSSOP48-P-300-0.50 HTSSOP48-P-300-0.50 HTSSOP48-P-300-0.50
Product Category Automobile CPU regulator, built-in watchdog timer Automobile CPU regulator, built-in watchdog timer Automobile CPU regulator, built-in watchdog timer Automobile CPU regulator, built-in watchdog timer Automobile CPU regulator, built-in watchdog timer
电源ON/OFF控制及反接保护电路
电源ON/OFF控制及反接保护电路(N沟道型)

12V电源线N沟道MOSFET开关控制和反接保护电路示例

12V电源线N沟道MOSFET开关控制和反接保护电路示例
U-MOS Series 40 V N-ch MOSFET
器件型号
Toshiba Package Name TSON Advance(WF) DPAK+ SOP Advance(WF) DSOP Advance(WF)L S-TOGL L-TOGL
VDSS (Max) [V] 40 40 40 40 40 40
ID (Max) [A] 40 120 150 150 200 400
RDS(ON) (Max) [Ω] @ |VGS| = 10.0 [V] 0.0038 0.00135 0.00079 0.00079 0.00066 0.0003
Polarity N-ch N-ch N-ch N-ch N-ch N-ch
Gate driver (for switch)
器件型号
Toshiba Package name PS-8 SSOP16
VBB (Max) [V]    
VCC (Max) [V]    
IO (Max) [A] +5mA/ Internally Limited  
General purpose small signal MOSFET
器件型号
Toshiba Package Name SOT-346 (S-Mini) SOT-346 (S-Mini) SOT-723 (VESM)
VDSS (Max) [V] 60 -60 -20
ID (Max) [A] 0.4 -0.4 -0.8
RDS(ON) (Max) [Ω] @ |VGS| = 4.5 [V] 1.75 1.9 0.39
Polarity N-ch P-ch P-ch
General purpose small signal bipolar transistor
器件型号
Toshiba Package Name SOT-416 (SSM) SOT-416 (SSM) SOT-323 (USM) SOT-323 (USM) SOT-346 (S-Mini) SOT-346 (S-Mini)
VCEO (Max) [V] -50 50 50 -50 50 -50
IC (Max) [A] -0.15 0.15 0.15 -0.15 0.15 -0.15
Polarity PNP NPN NPN PNP NPN PNP
Small signal bias resistor built-in transistor (BRT)
器件型号
Toshiba Package Name SOT-563 (ES6) SOT-563 (ES6) SOT-363 (US6) SOT-363 (US6)
VCEO (Q1) (Max) [V] 50 -50 50 -50
VCEO (Q2) (Max) [V] 50 -50 50 -50
IC (Q1) (Max) [A] 0.1 -0.1 0.1 -0.1
IC (Q2) (Max) [A] 0.1 -0.1 0.1 -0.1
Polarity (Q1) NPN PNP NPN PNP
Polarity (Q2) NPN PNP NPN PNP
TVS diode (for CAN communication)
器件型号
Toshiba Package Name SOT-323 (USM) SOT-323 (USM) SOT-323 (USM)
VESD (Max) [kV] +/-30 +/-25 +/-20
IR (Max) [µA] 0.1 0.1 0.1
Rdyn (Typ.) [Ω] 0.8 1.1 1.5
CT (Typ.) [pF] @ VR = 0 [V], f = 1 [MHz] 9 9 6.5
Power supply IC (for MCU)
器件型号
Toshiba Package Name SSOP20
Product Category Automobile CPU regulator, built-in watchdog timer
Power supply IC (for MCU, built-in tracker)
器件型号
Toshiba Package Name HTSSOP48-P-300-0.50 HTSSOP48-P-300-0.50 HTSSOP48-P-300-0.50 HTSSOP48-P-300-0.50 HTSSOP48-P-300-0.50
Product Category Automobile CPU regulator, built-in watchdog timer Automobile CPU regulator, built-in watchdog timer Automobile CPU regulator, built-in watchdog timer Automobile CPU regulator, built-in watchdog timer Automobile CPU regulator, built-in watchdog timer
电源开ON/OFF控制及反接保护电路(P沟道型)

12V电源线P沟道MOSFET开关控制和反接保护电路示例

12V电源线P沟道MOSFET开关控制和反接保护电路示例
U-MOS series -40 V / -60 V P-ch MOSFET
器件型号
Toshiba Package Name TSON Advance(WF) DPAK+ DPAK+ SOP Advance(WF) SOP Advance(WF)
VDSS (Max) [V] -40 -40 -60 -40 -60
ID (Max) [A] -40 -90 -60 -100 -90
RDS(ON) (Max) [Ω] @ |VGS| = 10.0 [V] 0.0096 0.0043 0.0112 0.0031 0.0083
Polarity P-ch P-ch P-ch P-ch P-ch
General purpose small signal MOSFET
器件型号
Toshiba Package Name SOT-346 (S-Mini) SOT-346 (S-Mini) SOT-723 (VESM)
VDSS (Max) [V] 60 -60 -20
ID (Max) [A] 0.4 -0.4 -0.8
RDS(ON) (Max) [Ω] @ |VGS| = 4.5 [V] 1.75 1.9 0.39
Polarity N-ch P-ch P-ch
General purpose small signal bipolar transistor
器件型号
Toshiba Package Name SOT-416 (SSM) SOT-416 (SSM) SOT-323 (USM) SOT-323 (USM) SOT-346 (S-Mini) SOT-346 (S-Mini)
VCEO (Max) [V] -50 50 50 -50 50 -50
IC (Max) [A] -0.15 0.15 0.15 -0.15 0.15 -0.15
Polarity PNP NPN NPN PNP NPN PNP
Small signal bias resistor built-in transistor (BRT)
器件型号
Toshiba Package Name SOT-563 (ES6) SOT-563 (ES6) SOT-363 (US6) SOT-363 (US6)
VCEO (Q1) (Max) [V] 50 -50 50 -50
VCEO (Q2) (Max) [V] 50 -50 50 -50
IC (Q1) (Max) [A] 0.1 -0.1 0.1 -0.1
IC (Q2) (Max) [A] 0.1 -0.1 0.1 -0.1
Polarity (Q1) NPN PNP NPN PNP
Polarity (Q2) NPN PNP NPN PNP
TVS diode (for CAN communication)
器件型号
Toshiba Package Name SOT-323 (USM) SOT-323 (USM) SOT-323 (USM)
VESD (Max) [kV] +/-30 +/-25 +/-20
IR (Max) [µA] 0.1 0.1 0.1
Rdyn (Typ.) [Ω] 0.8 1.1 1.5
CT (Typ.) [pF] @ VR = 0 [V], f = 1 [MHz] 9 9 6.5
Power supply IC (for MCU)
器件型号
Toshiba Package Name SSOP20
Product Category Automobile CPU regulator, built-in watchdog timer
Power supply IC (for MCU, built-in tracker)
器件型号
Toshiba Package Name HTSSOP48-P-300-0.50 HTSSOP48-P-300-0.50 HTSSOP48-P-300-0.50 HTSSOP48-P-300-0.50 HTSSOP48-P-300-0.50
Product Category Automobile CPU regulator, built-in watchdog timer Automobile CPU regulator, built-in watchdog timer Automobile CPU regulator, built-in watchdog timer Automobile CPU regulator, built-in watchdog timer Automobile CPU regulator, built-in watchdog timer

解决方案

这些文档对推荐的半导体产品的要点及其特性进行了说明。请参考其进行产品选择。

参考设计

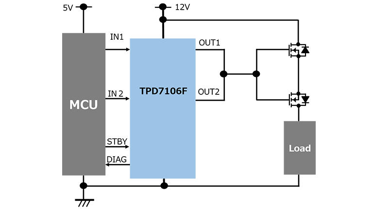
TPD7106F的单输出高边N沟道功率MOSFET栅极驱动IC应用和电路的TPD7106F应用电路示例
TPD7106F的单输出高边N沟道功率MOSFET栅极驱动IC应用和电路
该参考设计提供了TPD7106F的应用电路和仿真示例,其功能包括电源反向连接,电荷泵电路等。
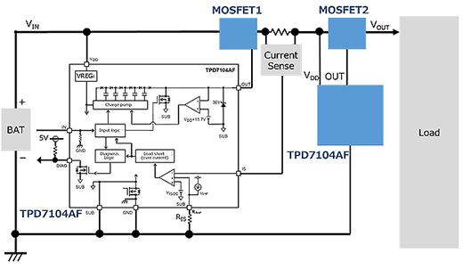
TPD7104AF的单输出高边N沟道功率MOSFET栅极驱动IC应用和电路的短路检测电路方框图
TPD7104AF的单输出高边N沟道功率MOSFET栅极驱动IC应用和电路
该参考设计提供了TPD7104AF的应用电路和仿真示例,该器件具有短路保护、电源反向连接保护等功能。

文档

视频

设计与开发

开关电源选型工具库(SMPS Lib.)

您可以根据实际需求选择和下载电源单元的各种基本拓扑,以便在仿真环境中验证MOSFET的性能。

电机控制和驱动电路库

您可以根據實際要求選擇和下載馬達驅動IC的各種基本拓撲結構,例如3相逆變器電路,以驗證MOSFET和其他元件在您的模擬環境中的性能。

EDA/CAD模型库

我们提供用于产品电路板开发的仿真数据、封装的3D模型以及焊盘图案模型(2D模型)。

MCU Motor Studio

MCU Motor Studio具有专用于东芝 TXZ+TM族高级系列微控制器的PC工具和电机控制固件。

联系我们

技术咨询

联系我们

联系我们

常见问题

常见问题(FAQ)
  • S-TOGLTM和L-TOGLTM是东芝电子元件及存储装置株式会社的商标。
  • 本文提及的公司名称,产品名称和服务名称可能是其各自公司的商标。

Do you want to add this page to your favorites?

Do you want to remove this page from your favorites?

Membership registration required
在新窗口打开