This webpage doesn't work with Internet Explorer. Please use the latest version of Google Chrome, Microsoft Edge, Mozilla Firefox or Safari.
请输入3个以上字符 Search for multiple part numbers fromhere.
The information presented in this cross reference is based on TOSHIBA's selection criteria and should be treated as a suggestion only. Please carefully review the latest versions of all relevant information on the TOSHIBA products, including without limitation data sheets and validate all operating parameters of the TOSHIBA products to ensure that the suggested TOSHIBA products are truly compatible with your design and application.Please note that this cross reference is based on TOSHIBA's estimate of compatibility with other manufacturers' products, based on other manufacturers' published data, at the time the data was collected.TOSHIBA is not responsible for any incorrect or incomplete information. Information is subject to change at any time without notice.
请输入3个以上字符
该参考设计提供了1.2V/100A输出隔离式DC-DC转换器的规格,框图和PCB布局数据,该转换器将48V总线电压直接转换为1.2V。
我们向设计人员提供电路操作概要和设计要点说明等资料。请单击每个选项卡,将其用于电路设计。
我们提供可加载到EDA工具中的电路数据、PCB布局数据以及PCB制造中使用的数据。多个工具供应商为您提供了多种格式。您可以使用您的工具进行自由编辑。
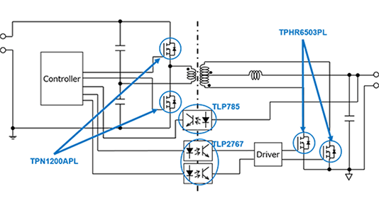
| 器件型号 | 器件目录 | 搭载部位・数量 | 说明 |
|---|---|---|---|
| 功率MOSFET(单N沟道60V<VDSS≤150V) | 原边, 2 | N沟道MOSFET,100V,0.0115Ω@10V,TSON Advance,U-MOSⅨ-H | |
| 功率MOSFET(单N沟道VDSS≤30V) | 副边侧同步整流, 4 | N沟道MOSFET,30V,0.00065Ω@10V,SOP Advance,U-MOSⅨ-H | |
| 光耦 | 输出电压反馈, 1 | 光电耦合器(光电晶体管输出),直流输入,5000Vrms,DIP4(TLP785) | |
| 光耦 | 原边和副边之间的通信, 2 | 光耦(光电IC输出),高速,50Mbps,5000Vrms,SO6L | |
| 肖特基二极管 | 原边, 2 | 30V/0.2A肖特基势垒二极管,SOT-23(SOT23) | |
| 开关二极管 | 原边, 3 副边, 2 |
100V/0.25A开关二极管,SOD-323(USC) |
我们提供有助于设计和研究相似电路的参考资料,例如已安装产品的应用说明。请单击每个选项卡使用这些资料。