This webpage doesn't work with Internet Explorer. Please use the latest version of Google Chrome, Microsoft Edge, Mozilla Firefox or Safari.
请输入3个以上字符 Search for multiple part numbers fromhere.
The information presented in this cross reference is based on TOSHIBA's selection criteria and should be treated as a suggestion only. Please carefully review the latest versions of all relevant information on the TOSHIBA products, including without limitation data sheets and validate all operating parameters of the TOSHIBA products to ensure that the suggested TOSHIBA products are truly compatible with your design and application.Please note that this cross reference is based on TOSHIBA's estimate of compatibility with other manufacturers' products, based on other manufacturers' published data, at the time the data was collected.TOSHIBA is not responsible for any incorrect or incomplete information. Information is subject to change at any time without notice.
请输入3个以上字符
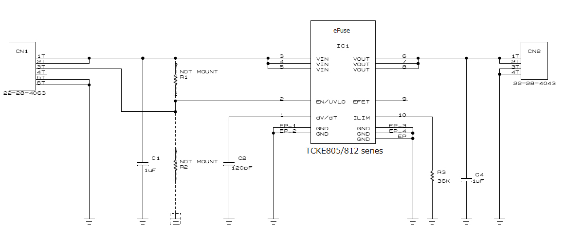
该参考设计提供了构建在小型电路板上的eFuse IC应用电路(带热关断功能)的设计指南、数据和其他内容。该电路通过结合eFuse IC和ThermoflaggerTM(过温检测 IC)提供过温检测和保护。
Click on components for more details
| 输入供电电压 | DC 2.7 V至6 V |
|---|---|
| 额定输出电流 | 1.1 A(典型值),通过适当的电阻设置电流可高达4 A |
我们向设计人员提供电路操作概要和设计要点说明等资料。请单击每个选项卡,将其用于电路设计。
我们提供可加载到EDA工具中的电路数据、PCB布局数据以及PCB制造中使用的数据。多个工具供应商为您提供了多种格式。您可以使用您的工具进行自由编辑。
| 器件型号 | 器件目录 | 搭载部位・数量 | 说明 |
|---|---|---|---|
| eFuse IC | 模组板・1 | 2.7 V至23 V/4.0 A eFuse IC,34 mΩ,WSON8 | |
| 过温检测IC | 模组板・1 | 10 μA,漏极开路,过温检测IC | |
| 小信号MOSFET | 模组板・1 | N沟道MOSFET,20 V,0.18 A,3.0 Ω@4 V,SOT-723(VESM) | |
| 小信号MOSFET | 模组板・1 | P沟道MOSFET,-20 V,-0.25 A,1.4 Ω@4.5 V,SOT-723(VESM) | |
| L-MOS VHS系列 | 模组板・1 | 单门逻辑(L-MOS),非反相缓冲器,SOT-353(USV) | |
| 齐纳二极管 | 模组板・2 | 6.8 V齐纳二极管,SOD-523(ESC) | |
| 功率MOSFET(N沟道单型30 V<VDSS≤60 V) | 基板・4 | N沟道MOSFET,40 V,0.00085 Ω@10 V,SOP Advance(N),U-MOSⅨ-H | |
| 负载开关IC | 基板・4 | 2.7 V至28 V外部MOSFET驱动IC,WCSP6E | |
| L-MOS SHS系列(TC74LCX等效产品) | 基板・4 | 单门逻辑(L-MOS),施密特缓冲器,SOT-363(US6) | |
| 点调节器(单路输出) | 基板・1 | 200 mA固定输出LDO稳压器,4.8 V,SOT-25(SMV) | |
| 偏置电阻内置晶体管(BRT) | 基板・1 | NPN偏置电阻内置晶体管(BRT),10 kΩ/10 kΩ,SOT-723(VESM) | |
| 偏置电阻内置晶体管(BRT) | 基板・4 | PNP偏置电阻内置晶体管(BRT),10 kΩ/10 kΩ,SOT-723(VESM) | |
| 开关二极管 | 基板・2 | 80 V/0.1 A开关二极管,SOD-523(ESC) |
我们提供有助于设计和研究相似电路的参考资料,例如已安装产品的应用说明。请单击每个选项卡使用这些资料。