隔离器/固态继电器

东芝的隔离器/固态继电器产品种类包括光耦、固态继电器和光纤传输模块。东芝的光耦有助于提高安全性,降低功耗和缩小终端产品的尺寸。

产品线

光耦

栅极驱动光耦
这些光耦适合驱动IGBT/MOSFET栅极。该系列产品包括多种产品,包括具有内置过电流保护功能和6.0A输出电流的产品。
高速通信光耦
东芝提供一系列符合通信标准的光耦,比如低至中速RS-232和高速RS-485以及工厂网络适用光耦。
隔离放大器和隔离Δ∑调制器
我们的隔离放大器是一个光耦合器件,在输入端有一个高精度的Δ∑AD转换器。它特别适用于实现电流传感器和电压传感器。
车载光耦
它结合了一个高光输出LED芯片和一个高增益光电芯片。它有助于通过冗余通信提高安全性,并减少板占用的面积。
IPM接口的光耦
该光耦支持5V和15V的电源电压,最适合用作IPM(智能功率模块)的绝缘接口。
晶体管输出光耦
晶体管输出光耦的应用非常广泛,比如:电源的反馈电路和工业设备的光电接口。
光伏输出光耦(用于MOSFET驱动)
在光伏输出光耦中,由LED所发出的光通过光电二极管阵列(PDA)所吸收并转化为输出电压。

数字隔离器

标准数字隔离器
东芝标准数字隔离器具有出色的抗噪声特性和高速信号传输等优点。其被广泛应用于从消费类到设计要求严格的工业类等应用。
车载标准数字隔离器
符合IATF 16949标准的汽车应用数字隔离器。该产品适用于CAN、LIN和SPI等车载网络通信,并通过AEC-Q100可靠性标准认证。

固态隔离器

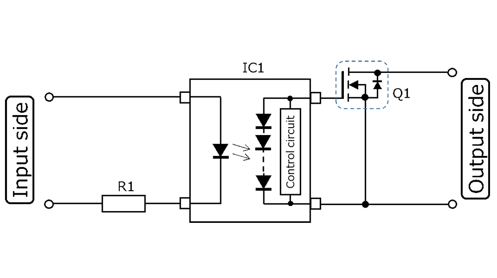
光继电器(MOSFET输出)
光继电器是指由MOSFET光耦合LED制成的半导体继电器,主要用作信号继电器的代替品。光继电器不含有动触点,所以相比机械继电器而言具有更长久的可靠性。
车载光继电器(MOSFET输出)
非接触式继电器有助于节能和延长机组寿命。光伏耦合器通过与MOSFET相结合,可以实现理想输出的无触点继电器。
可控硅输出光耦/晶闸管输出光耦
可控硅输出光耦适合用于控制交流负载。晶闸管输出光耦可用于对直接连接至100-Vac或200-Vac商业电源或保护电源等的交流负载进行控制。
光伏输出(用于MOSFET驱动)
在光伏输出光耦中,LED发射的光被光电二极管阵列(PDA)接收,将其转换为输出电压。

光纤传输模块

光纤耦合器(TOSLINK™)
光纤耦合器(TOSLINK™)是一种将数字电信号转换为光信号以传输数据的光传输装置。

You can narrow down the search for applicable products by selecting specifications.

Product type
Category
Package name (Toshiba)
Results:
Product type
VOFF (Max) (V)
-
ION (Max) (A)
-
RON (Max) (Ω)
-
COFF (Typ.) (pF)
-
Package name (Toshiba)
Category
Results:
Product type
Data transfer rate (Max) (Mbps)
Output Interface
Number of Circuits
Configuration
VCC/VDD (Min) (V)
VCC/VDD (Max) (V)
BVS (Min) (Vrms)
Results:

About information presented in this cross reference

The information presented in this cross reference is based on TOSHIBA's selection criteria and should be treated as a suggestion only. Please carefully review the latest versions of all relevant information on the TOSHIBA products, including without limitation data sheets and validate all operating parameters of the TOSHIBA products to ensure that the suggested TOSHIBA products are truly compatible with your design and application.Please note that this cross reference is based on TOSHIBA's estimate of compatibility with other manufacturers' products, based on other manufacturers' published data, at the time the data was collected.TOSHIBA is not responsible for any incorrect or incomplete information. Information is subject to change at any time without notice.

文档

技术专辑

电机控制产品推荐
提供利用大功率电子技术的系统解决方案
应用

参考设计

采用贴片式SiC MOSFET的3kW服务器和通信电源
近年来,数据中心规模不断扩大,密度不断提升。因此,服务器电源也需要更高效、更强大、更节省空间,高功率密度至关重要。我们采用最新的贴片式SiC器件,将电源从主板分离,并将其作为子板实现,从而实现了高功率密度。除了服务器应用外,该解决方案还适用于通信系统和其他使用48V的应用。本参考设计提供了电路各部分的设计要点、使用方法和调整方法的说明,以及电路图、电路板布局等设计信息,可为您的设计提供帮助。
10kW 3相AC 400V输入PFC转换器
该设计能够提供10kW功率,DC输出电压为750V。3相AC输入(312V至528V),采用3相图腾柱配置,使用1200V SiC MOSFET输出750V DC。它适用于电动汽车充电站和各种使用3相AC电源输入的工业设备等应用。该参考设计提供了电路各部分的设计要点、使用方法和调整方法的说明,以及电路图、电路板图案等设计信息,可帮助您进行设计。
这是3相逆变器隔离栅极驱动电路的图片。
3相逆变器隔离栅极驱动电路
近年来,工业设备中的3相逆变器已成为实现低碳社会的重要因素。本电路是具有各种保护功能的栅极驱动电路,可安全地驱动3相逆变器使用的功率模块。该参考设计提供了电路各部分的设计技巧、操作方法以及电路图和PCB图案等设计信息,请在设计中使用它们。
这是SiC MOSFET模块得栅极驱动电路图片
SiC MOSFET模块的栅极驱动电路
该参考设计提供了用于驱动工业电机驱动器等功率转换设备中使用的SiC MOSFET模块的栅极。它可以通过使用外部缓冲MOSFET,以大电流驱动SiC MOSFET模块的栅极。
PCB照片(示例)
1.6 kW服务器电源(升级版)
得益于东芝最新的功率器件和数字隔离器,这款1U尺寸、12 V输出的1.6 kW服务器电源在整个负载下实现了比使用相同电路拓扑的现有参考设计更高的效率。提供了电路设计和操作的设计文件和指南,可用作参考设计。
使用SiC MOSFET的3相逆变器
该参考设计提供了使用1200V SiC MOSFET的3相逆变器的设计指南、数据和其他内容。此设计驱动交流440V电机。
PCB图片(示例)
采用MOSFET的3相多电平逆变器
该参考设计提供了具有5电平输出的3相多电平逆变器的设计指南、数据和其他内容。其采用150V MOSFET驱动AC 200V电机。
1.6kW T型三电平PFC电源
1.6kW T型三电平PFC电源
本参考设计提供使用T型三电平功率因数校正(PFC) 电路的1.6kW AC-DC转换器电源的设计指南、数据等内容。
100W LLC DC-DC转换器的电路板照片
100W LLC DC-DC转换器
此参考设计提供了使用LLC谐振实现零电压开关的100W LLC DC-DC转换器的设计指南、数据和其他内容。
智能栅极驱动耦合器评估板的评估板图片
智能栅极驱动耦合器评估板
该参考设计提供了智能栅极驱动耦合器评估板的设计指南、数据和其他内容。
100W LED照明电源的电源图片
100W LED照明电源
此参考设计提供了具有PFC和宽输入电压范围(即AC 90V至264V)的LED照明恒流100W电源的设计指南、数据和其他内容。
1kW全桥DC-DC转换器的外观照片
1kW全桥DC-DC转换器
该参考设计提供了使用相移全桥DC-DC转换器的1kW服务器电源的设计指南,数据和其他内容。
光伏输出光耦和MOSFET替代机械式继电器的HVAC应用
光伏输出光耦和MOSFET替代机械式继电器
具有光电输出耦合器TLP3906和MOSFET TPH1R306PL的固态继电器。介绍固态继电器电路替代机械继电器的设计指南。
符合48V总线电压的1.2V/100A输出DC-DC转换器的特点
符合48V总线电压的1.2V/100A输出DC-DC转换器
该参考设计提供了1.2V/100A输出隔离式DC-DC转换器的规格,框图和PCB布局数据,该转换器将48V总线电压直接转换为1.2V。
300W隔离式DC-DC转换器的特点
300W隔离式DC-DC转换器
介绍了电源的概述,设计参考文件,可以导入到EDA工具的电子文件,以及组成器件的概述
智能栅极驱动器耦合器TLP5214A逆变器应用的逆变器应用示例
智能栅极驱动器耦合器TLP5214A逆变器应用
该参考设计提供示例电路,内置功能的设计指南以及将TLP5214A应用于逆变器电路作为栅极驱动电路的热设计指南。
200W AC-DC电源的方框图
200W AC-DC电源
该参考设计提供了适用于消费类应用和嵌入式电源的DC 24V/200W AC-DC电源的规格、方框图和PCB布局数据。
TLP7920隔离放大器的应用电路(电流检测)的应用方框图
TLP7920隔离放大器的应用电路(电流检测)
该参考设计提供了用于伺服和逆变器电机控制的光隔离放大器相电流检测的设计指南和仿真波形示例。
TLP7920隔离放大器的应用电路(电压检测)的应用方框图
TLP7920隔离放大器的应用电路(电压检测)
介绍了TLP7920的特性、电压检测电路的应用、设计参考文件、可以导入到EDA工具的电子文件、以及组成器件的概述
TLP7820隔离放大器的应用电路(电流检测)的应用方框图
TLP7820隔离放大器的应用电路(电流检测)
该参考设计提供了用于伺服和逆变器电机控制的光隔离放大器相电流检测的设计指南和仿真波形示例。
TLP7820隔离放大器的应用电路(电压检测)的应用方框图
TLP7820隔离放大器的应用电路(电压检测)
该参考设计提供了用于伺服和逆变器电机控制的光隔离放大器总线电压检测的设计指南和仿真波形示例。
1.6kW,80+白金级高效服务器AC-DC电源的特点
1.6kW,80+白金级高效服务器AC-DC电源
该参考设计提供了使用半无桥/隔离相移全桥的1.6kW 80+白金级电源的设计指南,数据和其他内容。

联系我们

技术咨询

联系我们

联系我们

常见问题

常见问题(FAQ)

*TOSLINK™是东芝电子元件及存储装置株式会社的商标。
*本文提及的公司名称,产品名称和服务名称可能是其各自公司的商标。

在新窗口打开