This webpage doesn't work with Internet Explorer. Please use the latest version of Google Chrome, Microsoft Edge, Mozilla Firefox or Safari.
请输入3个以上字符 Search for multiple part numbers fromhere.
The information presented in this cross reference is based on TOSHIBA's selection criteria and should be treated as a suggestion only. Please carefully review the latest versions of all relevant information on the TOSHIBA products, including without limitation data sheets and validate all operating parameters of the TOSHIBA products to ensure that the suggested TOSHIBA products are truly compatible with your design and application.Please note that this cross reference is based on TOSHIBA's estimate of compatibility with other manufacturers' products, based on other manufacturers' published data, at the time the data was collected.TOSHIBA is not responsible for any incorrect or incomplete information. Information is subject to change at any time without notice.
请输入3个以上字符
介绍了电源的概述,设计参考文件,可以导入到EDA工具的电子文件,以及组成器件的概述
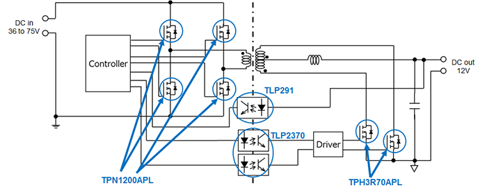
| 输入电压 | DC36至75V |
|---|---|
| 输出电压 | DC 12V |
| 输出功率 | 300W |
| 电路拓扑 | 相移全桥+同步整流 |
我们向设计人员提供电路操作概要和设计要点说明等资料。请单击每个选项卡,将其用于电路设计。
我们提供可加载到EDA工具中的电路数据、PCB布局数据以及PCB制造中使用的数据。多个工具供应商为您提供了多种格式。您可以使用您的工具进行自由编辑。
| 器件型号 | 器件目录 | 搭载部位・数量 | 说明 |
|---|---|---|---|
| Power MOSFET (N-ch single 60V<VDSS≤150V) | 原边・4 | N沟道MOSFET,100V,0.0115Ω@10V,TSON Advance,U-MOSⅨ-H | |
| Power MOSFET (N-ch single 60V<VDSS≤150V) | 副边同步整流・4 | N沟道MOSFET,100V,0.0037Ω@10V,SOP Advance,U-MOSⅨ-H | |
| 光耦 | 原边和副边之间的通信・2 | 光耦(光电IC输出),高速,20Mbps,3750Vrms,5引脚SO6 | |
| 肖特基二极管 | 副边・1 | 30V/1A肖特基势垒二极管,S-FLAT | |
| 肖特基二极管 | 副边・7 | 40V/0.5A肖特基势垒二极管,SOD-882(CST2) |
我们提供有助于设计和研究相似电路的参考资料,例如已安装产品的应用说明。请单击每个选项卡使用这些资料。