This webpage doesn't work with Internet Explorer. Please use the latest version of Google Chrome, Microsoft Edge, Mozilla Firefox or Safari.
请输入3个以上字符 Search for multiple part numbers fromhere.
The information presented in this cross reference is based on TOSHIBA's selection criteria and should be treated as a suggestion only. Please carefully review the latest versions of all relevant information on the TOSHIBA products, including without limitation data sheets and validate all operating parameters of the TOSHIBA products to ensure that the suggested TOSHIBA products are truly compatible with your design and application.Please note that this cross reference is based on TOSHIBA's estimate of compatibility with other manufacturers' products, based on other manufacturers' published data, at the time the data was collected.TOSHIBA is not responsible for any incorrect or incomplete information. Information is subject to change at any time without notice.
请输入3个以上字符
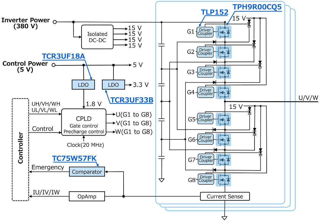
该参考设计提供了具有5电平输出的3相多电平逆变器的设计指南、数据和其他内容。其采用150V MOSFET驱动AC 200V电机。
Click on components for more details
| 输入电压 | DC 400V |
|---|---|
| 输出电压 | 3相AC 200V~240V |
| 输出电流 | 10A |
| 电路拓扑 | NPC 5电平 |
我们向设计人员提供电路操作概要和设计要点说明等资料。请单击每个选项卡,将其用于电路设计。
我们提供可加载到EDA工具中的电路数据、PCB布局数据以及PCB制造中使用的数据。多个工具供应商为您提供了多种格式。您可以使用您的工具进行自由编辑。
| 器件型号 | 器件目录 | 搭载部位・数量 | 说明 |
|---|---|---|---|
| 功率MOSFET(N沟道单60V<VDSS≤150V) | 逆变器开关・24 | N沟道MOSFET,150V,0.009Ω@10V,Qrr=34nC@100A/μs,SOP Advance/SOP Advance(N),U-MOSⅩ-H | |
| 光耦(光电IC输出) | MOSFET驱动・24 | 光耦(光电IC输出)、IGBT驱动IC、IOP=+/-2.5A,3750Vrms,5pin SO6 | |
| 低压差(LDO)线性稳压器 | CPLD电源・1 | 300mA固定输出LDO稳压器,3.3V,SOT-25(SMV) | |
| 低压差(LDO)线性稳压器 | CPLD电源・1 | 300mA固定输出LDO稳压器,1.8V,SOT-25(SMV) | |
| 比较器(CMOS) | 过流检测・3 | 双比较器 (CMOS),7V,+/-3.5V,SOT-765(US8) |
我们提供有助于设计和研究相似电路的参考资料,例如已安装产品的应用说明。请单击每个选项卡使用这些资料。